注意:访问本站需要Cookie和JavaScript支持!请设置您的浏览器! 打开购物车 查看留言付款方式联系我们
初中电子 单片机教材一 单片机教材二
搜索上次看见的商品或文章:
商品名、介绍 文章名、内容
首页 电子入门 学单片机 免费资源 下载中心 商品列表 象棋在线 在线绘图 加盟五一 加入收藏 设为首页
 商品分类
※ 电子制作套件 ※
入门初学套件· 单片机应用套件
无线对讲话筒· 数字钟数字电路
收音功放套件· 功放套件
电话门铃电平· 万用表电源
LED节能灯套件· 遥控开关报警
竞赛实训设计· 传感器类套件
贴片练习套件· 显示屏套件
※ 电子实验套件 ※
单片机编程器· 初学实验套件
单片机产品· 实验板元件
LCD模块下载· 面包板
※ 电子工具 ※
仪器仪表· 电钻/钻头
焊接固定· 镊钳螺丝刀
工具套装· 元件盒胶袋
※ 电子电路板 ※
万能线路板· 感光敷铜板
收音功放成品· 其它成品板
单片机类光板· 印刷电路光板
※ 电子元器件 ※
电阻· 电容
电位器可调电阻· 二极管
三极管· 发光二极管
可控硅· 场效应管
电感线圈· 晶振滤波器
蜂鸣压垫片· 保险管灯泡
数码管点阵· 继电器干簧管
※ 贴片元器件 ※
贴片二极管· 贴片电阻/容
贴片三极管· 贴片常用IC
贴片40/74系· 贴片电感开关
贴片单片机·
※ 五金塑胶线材 ※
开关· IC插座
插头插座· 杜邦插接件
旋钮· 热缩管
电动机· 电子导线
连接线· 散热片
螺丝弹簧· 电池盒扣
电子制作盒·
※ 集成电路IC ※
单片机芯片· CD40系列IC
配单片机IC· 74LS系列IC
74HC系列IC· 运放耦合器
收发功放IC· 电源稳压IC
音乐动物IC· LED芯片
※ 模组传感器 ※
特色传感模块· 无线模块开关
传感测试探头· 气温湿传感器
※ 日常电子产品 ※
电源变压器· 图书管资料
功放收音机· 其它产品
喇叭· 音响炮筒
※ 特价电子 ※
新品优惠· 特价商品
库存回收· 停止供货
当前位置: 首页 >>> 【图片版】 【图文版】 【文字版

注:为了提高网速,图片可能被压缩! 图片仅供参考!
1238立体声收音套件
商城价格:¥18.80 元  免费注册有礼送
贵宾价格:¥15.98 元  加入贵宾更优惠
单件重量:32 克(仅供参考,包装重量另计)
  货源充足 支持零售   加入收藏  我要评论
点这里将商品放入购物车 

如果您喜欢该商品,您可以放入购物车!当您选好商品后,您可以留下您的地址和电话并提交订单,本站会按顺序处理!

请您放心,提交订单并不表示必需购买。 提交订单仅仅是信息交流的一种方法,仅仅只代表了您临时的潜在需求,您完全可以决定不购买,并且不需要任何理由。

注:本站图片仅供参考!因各种原因,图片与实物不一定相符,不便之处敬请谅解!我们会尽快改良!

CXA1238FM(调频)立体声收音元件包:电路板规格:55×55mm,  收音部分采用CXA1238集成电路,音质优美的FM收音,这是大家都供认,功放部分采用2822集成电路,也是常用的功放IC之一。本站有配套的光板和带外壳的套件出售,大家可以在站内搜索相关产品及文章。下面图片为本站装好的成品,你购买后,要通过自己装配才可以。(使用少数贴片元件,同时也可以练习一上贴片元件的焊接)

CXA1238FM立体声收音元件包详细说明:印刷电路板,元件清单,元件,原理说明,制作说明等等。

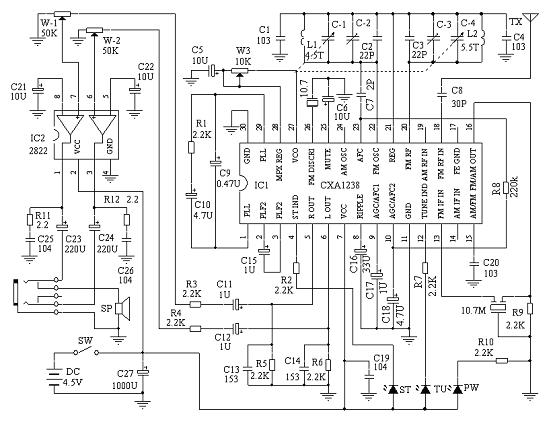
原理和原理图从变压器输出的交流电输入到AC插座,由D1—D4组成的整流桥整流后,输出直流电给整机供电;直流电从DC插座输入。C31、C21、C26为滤波电容,给功放IC 2822和收音集成电路CXA1238供电。CXA1238为SONY公司开发的带AM和FM立体声超外差接收电路,这里只采用了FM立体声接收功能,所以波段选择引脚15脚应为高电平(如为接收AM波段的该脚接地)。高频信号经天线、C8耦合到信号输入引脚18脚,经内部放大,20脚外接的C3、C-4、C-5、L2调谐选出要接收的频率信号送到混频级,22脚外接的C2、C-1、C-2、L1组成本机振荡电路,产生的振荡信号也送入混频级和接收信号混频,从16脚输出10.7MHz的中频信号,经三端陶瓷滤波器滤除10.7MHz以外的信号后从13脚送回内部进行中频放大和立体声解码,最后从5脚、6脚输出左右声道的音频信号送往音量调节电位器,再送由TDA2822组成的功放电路进行音频功率放大,最后从耳机插座输出推动耳机或喇叭发声。

电路原理图:(注 电路板上C16、C17的丝印错了,正确应和下面电路图一样为C16为33UF,C17为1UF,C13、C14改为使用222贴片电容)

光板如下:

装好的带壳成品图片如下:

 

焊接贴片元件的注意事项:

一、 贴片IC焊接

1、先用烙铁在元件一个引脚的焊盘上镀锡,用镊子夹住元件,摆正位置,然后固定元件。(一般是在四角的其中一个引脚上镀锡,然后固定。)

2、 一手拿着焊锡丝,另一只手拿着烙铁,分别固定剩余的4角的3个脚,焊接的时候注意焊接力度,千万不要让元件移位,四个角都固定后,再焊接的时候,元件就不会发生移位了。(如果担心自己摆不正元件,可以先用松香固定元件的四个角,方法是:用镊子夹住元件,放在焊盘上,确认焊盘对整齐后,用镊子夹住一小块松香,轻轻放到引脚上,用烙铁加热松香使其溶化,然后移开烙铁,让松香凝固,这样芯片就被固定住了,同样的方法固定好全部4个角,然后再次检查元件是否摆正,确认元件摆正后,用烙铁熔化焊锡重新固定元件的4个角。)

3、元件固定好后,一手拿焊锡,一手拿烙铁,烙铁尖放在元件的一角上,焊锡放在烙铁尖上,让焊锡融化,等焊锡融化成一个比较大的圆球后,向没有焊接焊锡的引脚方向慢慢移动烙铁(这时候可以使板子稍微向烙铁移动的方向倾斜一下,以便焊锡更好的流动),注意移动速度要慢,每移动到一个引脚处时要让焊锡在这个引脚处充分融化,这样才能确保该引脚不会被虚焊,移动的时候力度一定要轻,力度过大会损坏元件的引脚,这个过程需要多多练习才能够熟练操作,当烙铁拖过一边后,这一边的引脚就焊好了,通常一边焊接后,最后的几个引脚会被多余的焊锡连在一起,这时候可以甩掉烙铁头上多余的焊锡,将烙铁头在松香里面蘸一下,然后小心的用烙铁头在引脚之间划过,以去除多余焊锡,也可以将烙铁头放在连在一起的引脚处,拿起板子,待焊锡溶化后,用力把板子砸在桌子上,这样就能磕掉多余的焊锡,不过这样容易让锡渣流到板子的其他地方,注意把溅出的锡渣清理掉。

4、用同样的方法焊接所有的引脚。

二、 贴片电阻、电容等两脚贴片元件的焊接

1、贴片电阻、电容等两脚贴片元件焊接前,先用烙铁在电路板上电阻等两脚元件的一个焊盘上焊一点锡(在哪一个焊盘上焊锡依据个人焊接习惯,我比较喜欢先在右边焊盘镀锡,这样比较符合焊接习惯),也可以将板子上所有的两脚贴片元件的一个焊盘镀锡,这样比较省事;

2、在一个焊盘上镀完锡后,用镊子夹住电阻等两脚元件在对应的焊盘上摆正位置,用烙铁将元件的一端焊接到焊盘的镀锡一端,然后拿着焊锡丝将另一端焊住。一种比较省时省力的方法是:先将所有两脚元件的一端固定在相应位置的镀锡焊盘上,然后在同一焊接另一端引脚;

3、焊接时候要注意时间和力度,用力过大或者焊接时间过长会让对面的焊锡也融化了,这样容易导致元件移位。

焊接完所有引脚后,检查各个引脚之间是否有短路的情况,如果有,则用烙铁从两个引脚之间慢慢划过,这样让多余的焊锡吸附到烙铁上,从而消除短路。


查看和发表评论
管理员一般会在8-48小时内回复,会删除无意义的留言以及重复留言,请保证留言标题清晰,内容明确!
1、评论不代表本站观点。 另外,即使是本站原创作品,本站也不保证内容绝对正确。
2、如果您拥有本文版权,并且不想在此处发表,请书面通知本站立即删除并且向您公开道歉!

2010年优惠大酬宾:凡在本商城免费注册并且提交订单购买商品者,本站都会例行赠送《电脑钻孔的万能线路板一》一块! 查看详情
本站协议 | 版权信息 |  关于我们 |  本站地图 |  营业执照 |  发票说明 |  付款方式 |  联系方式
深圳市宝安区西乡五壹电子商行——粤ICP备16073394号-1;地址:深圳西乡河西四坊183号;邮编:518102
E-mail:51dz$163.com($改为@);Tel:(0755)27947428
工作时间:9:30-12:00和13:30-17:30和18:30-20:30,无人接听时可以再打手机13537585389