键盘接口与编程
键盘是由若干按键组成的开关矩阵,它是微型计算机最常用的输入设备,用户可以通过键盘向计算机输入指令、地址和数据。一般单片机系统中采和非编码键盘,非编码键盘是由软件来识别键盘上的闭合键,它具有结构简单,使用灵活等特点,因此被广泛应用于单片机系统。
组成键盘的按键有触点式和非触点式两种,单片机中应用的一般是由机械触点构成的。在下图中,当开
|
图1 |
图2 |
关S未被按下时,P1。0输入为高电平,S闭合后,P1。0输入为低电平。由于按键是机械触点,当机械触点断开、闭合时,会有抖动动,P1。0输入端的波形如图2所示。这种抖动对于人来说是感觉不到的,但对计算机来说,则是完全可以感应到的,因为计算机处理的速度是在微秒级,而机械抖动的时间至少是毫秒级,对计算机而言,这已是一个“漫长”的时间了。前面我们讲到中断时曾有个问题,就是说按键有时灵,有时不灵,其实就是这个原因,你只按了一次按键,可是计算机却已执行了多次中断的过程,如果执行的次数正好是奇数次,那么结果正如你所料,如果执行的次数是偶数次,那就不对了。
为使CPU能正确地读出P1口的状态,对每一次按键只作一次响应,就必须考虑如何去除抖动,常用的去抖动的方法有两种:硬件方法和软件方法。单片机中常用软件法,因此,对于硬件方法我们不介绍。软件法其实很简单,就是在单片机获得P1。0口为低的信息后,不是立即认定S1已被按下,而是延时10毫秒或更长一些时间后再次检测P1。0口,如果仍为低,说明S1的确按下了,这实际上是避开了按键按下时的抖动时间。而在检测到按键释放后(P1。0为高)再延时5-10个毫秒,消除后沿的抖动,然后再对键值处理。不过一般情况下,我们通常不对按键释放的后沿进行处理,实践证明,也能满足一定的要求。当然,实际应用中,对按键的要求也是千差万别,要根据不同的需要来编制处理程序,但以上是消除键抖动的原则。
|
图3 |
图4 |
1、通过1/0口连接。将每个按键的一端接到单片机的I/O口,另一端接地,这是最简单的方法,如图3所示是实验板上按键的接法,四个按键分别接到P3.2 、P3.3、P3.4和P3.5。对于这种键各程序可以采用不断查询的方法,功能就是:检测是否有键闭合,如有键闭合,则去除键抖动,判断键号并转入相应的键处理。下面给出一个例程。其功能很简单,四个键定义如下:
P3.2:开始,按此键则灯开始流动(由上而下)
P3.3:停止,按此键则停止流动,所有灯为暗
P3.4:上,按此键则灯由上向下流动
P3.5:下,按此键则灯由下向上流动
UpDown EQU 00H ;上下行标志
StartEnd EQU 01H ;起动及停止标志
LAMPCODE EQU 21H ;存放流动的数据代码
ORG 0000H
AJMP MAIN
ORG 30H
MAIN:
MOV SP,#5FH
MOV P1,#0FFH
CLR UpDown ;启动时处于向上的状态
CLR StartEnd ;启动时处于停止状态
MOV LAMPCODE,#0FEH ;单灯流动的代码
LOOP:
ACALL KEY ;调用键盘程序
JNB F0,LNEXT ;如果无键按下,则继续
ACALL KEYPROC ;否则调用键盘处理程序
LNEXT:
ACALL LAMP ;调用灯显示程序
AJMP LOOP ;反复循环,主程序到此结束
;---------------------------------------
DELAY:
MOV R7,#100
D1: MOV R6,#100
DJNZ R6,$
DJNZ R7,D1
RET
;----------------------------------------延时程序,键盘处理中调用
KEYPROC:
MOV A,B ;从B寄存器中获取键值
JB ACC.2,KeyStart ;分析键的代码,某位被按下,则该位为1(因为在键盘程序中已取反)
JB ACC.3,KeyOver
JB ACC.4,KeyUp
JB ACC.5,KeyDown
AJMP KEY_RET
KeyStart:
SETB StartEnd ;第一个键按下后的处理
AJMP KEY_RET
KeyOver:
CLR StartEnd ;第二个键按下后的处理
AJMP KEY_RET
KeyUp: SETB UpDown ;第三个键按下后的处理
AJMP KEY_RET
KeyDown:
CLR UpDown ;第四个键按下后的处理
KEY_RET:RET
KEY:
CLR F0 ;清F0,表示无键按下。
ORL P3,#00111100B ;将P3口的接有键的四位置1
MOV A,P3 ;取P3的值
ORL A,#11000011B ;将其余4位置1
CPL A ;取反
JZ K_RET ;如果为0则一定无键按下
ACALL DELAY ;否则延时去键抖
ORL P3,#00111100B
MOV A,P3
ORL A,#11000011B
CPL A
JZ K_RET
MOV B,A ;确实有键按下,将键值存入B中
SETB F0 ;设置有键按下的标志
K_RET:
ORL P3,#00111100B ;此处循环等待键的释放
MOV A,P3
ORL A,#11000011B
CPL A
JZ K_RET1 ;直到读取的数据取反后为0说明键释放了,才从键盘处理程序中返回
AJMP K_RET
K_RET1:
RET
;-----------------------------------
D500MS: ;流水灯的延迟时间
PUSH PSW
SETB RS0
MOV R7,#200
D51: MOV R6,#250
D52: NOP
NOP
NOP
NOP
DJNZ R6,D52
DJNZ R7,D51
POP PSW
RET
;-----------------------------------
LAMP:
JB StartEnd,LampStart ;如果StartEnd=1,则启动
MOV P1,#0FFH
AJMP LAMPRET ;否则关闭所有显示,返回
LampStart:
JB UpDown,LAMPUP ;如果UpDown=1,则向上流动
MOV A,LAMPCODE
RL A ;实际就是左移位而已
MOV LAMPCODE,A
MOV P1,A
LCALL D500MS
AJMP LAMPRET
LAMPUP:
MOV A,LAMPCODE
RR A ;向下流动实际就是右移
MOV LAMPCODE,A
MOV P1,A
LCALL D500MS
LAMPRET:
RET
END
以上程序功能很简单,但它演示了一个键盘处理程序的基本思路,程序本身很简单,也不很实用,实际工作中还会有好多要考虑的因素,比如主循环每次都调用灯的循环程序,会造成按键反应“迟钝”,而如果一直按着键不放,则灯不会再流动,一直要到松开手为止,等等,大家可以仔细考虑一下这些问题,再想想有什么好的解决办法。
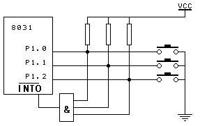
2、采用中断方式:如图4所示。各个按键都接到一个与非上,当有任何一个按键按下时,都会使与门输出为低电平,从而引起单片机的中断,它的好处是不用在主程序中不断地循环查询,如果有键按下,单片机再去做相应的处理。